zurück zur Startseite
http://www.honda-dax.de
|
Bild
Nr.
|
Ersatzteil
Nr.
|
Bezeichnung
|
ST 50
|
ST 70
|
|
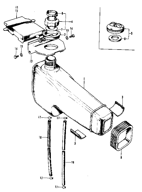
1
|
17500-098-010B
|
Tank
|
1
|
|
| |
17500-098-020B
|
Tank
|
1
|
|
|
2
|
17512-098-000
|
Gummiring
|
1
|
|
| |
17512-086-010
|
Gummiring
|
1
|
|
|
3
|
17611-098-300
|
Dämpfungsgummi
|
2
|
|
| |
17611-09ä-310
|
Dämpfungsgummi
|
2
|
|
|
4
|
17020-098-010
|
Tankdeckel
|
1
|
|
|
5
|
17620-098-690
|
Tankdeckel
|
1
|
|
|
6
|
17623-098-010
|
Belüftungsdichtung
|
1
|
|
|
7
|
17624-098-010
|
Dichtung
|
1
|
|
|
8
|
17631-001-000
|
Dichtung
|
1
|
|
|
9
|
17670-098-000
|
Dämpfungsgummi
|
1
|
|
| |
17670-098-010
|
Dämpfungsgummi
|
1
|
|
|
10
|
17681-098-000
|
Benzinschlauch
|
1
|
|
| |
17681-098-010
|
Benzinschlauch
|
1
|
|