https://www.ooracing.com/generator-ss3-phase-kit-100w.html
Product Code: 7914
Gen. Kit.
SS3+. 3 Phase. 100W D/C high output
CDI (Required) OHNE CDI
£87,98-Steuer England + £44 Versandkosten =£117,32Versandkosten
= 137.75€
(bis 150 €
incl. Versandkosten= Zollfrei)
+ 5,49€ PayPal
Gebüren (Zahlung nicht EU-Land)
+ Verzollung/Einfuhr/Mwst/Gebüren in Deutschland
UPS-Zusteller 40,54€
= 183,78 €
Gesamt
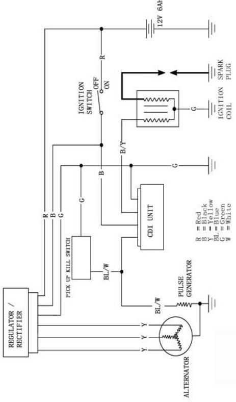
Spezifikationen. Statorplatte und Generatorspulen: Gesamtgewicht 715g Grundplatte 115 mm Durchmesser Stator: Außenkern mit 75 mm Durchmesser 100 W Leistung (über unsere Reg/Rec) Verdrahtung. Generatorspulen:3 x gelbe Drähte: Ausgang zu Reg/Rec (vorgesteckt)1 x Weiß/Blau: Pick-up Spezifikationen. Polrad: 470g Gewicht (brutto) Gesamtdurchmesser 88,5 mm 41 mm Tiefe 16 mm-19 mm Innenkonus 27-mm-Schwungrad-Entfernungswerkzeug zum Entfernen Spezifikationen. Reg/Rec: 240g Gewicht (Brutto) 70 mm Breite 81 mm Länge 28 mm Tiefe 120 mm Webstuhllänge 3-poliger Stecker (zum regulären Rec) 3-poliger Buchsenstecker (zum Kabelbaum)
3 x Gelber Direktstecker in den Stator „vorverdrahtet mit 3-poligem Stecker“ Rot an Batterie + über Sicherung, Sie können das Rot vom alten Reg/Rec-Stecker verwenden Grün an Erde oder Batterie – Gleiches wie oben an Grün oder Schwarz/Weiß Der schwarze + Schalter muss an eine + Zuleitung angeschlossen werden, die beim Einschalten der Zündung unter Spannung steht (klemme 15)

Benötigt für
Einbau:
Regler:
1x zu
Batterie Kl.30
1x Zündstrom
Kl.15
1x Masse
Kl.31
_______________________________________________
Stator:
-
3
Phasen gelb zu Regler
-
BL/W
OT-Geber „Trigger“
-
Grün/Rot
- Kabel für „Neutral“ mitverlegen
_______________________________________________
Lima ist
Potenzialfrei geschaltet
-
Lichtstrom
(Gelb) auf Kl.15 legen
_____________________________________