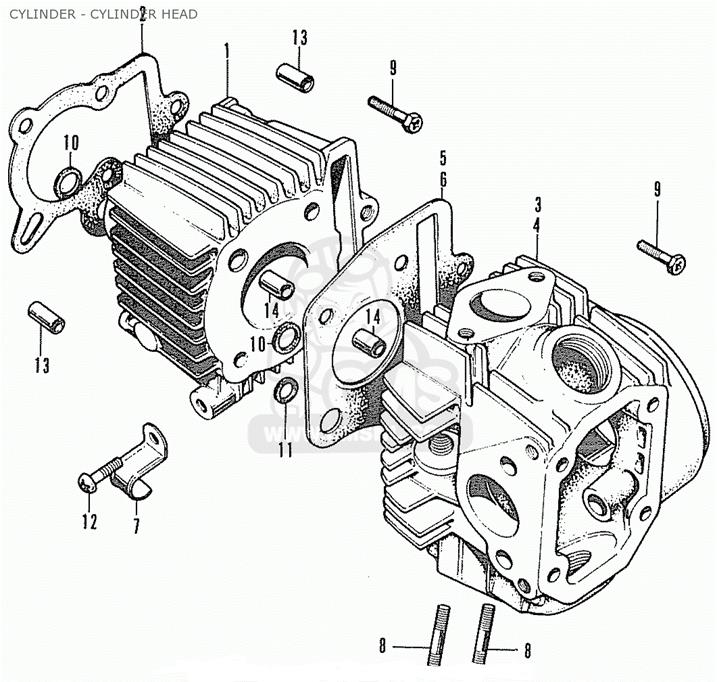
Honda DAX Zylinder Teilenummern
= Original Honda Nr.

|
1
CYLINDER |
2
GASKET, CYLINDER
(MCA) Teilenummer:
12191035000 |
3
HEAD,CYLINDER |
|
5
GASKET,CYLN.HEAD
(MCA) Teilenummer:
12251036010 |
7
CLIP,CORD Teilenummer:
32906061000 |
8
BOLT,STUD
6X32 // BOLT,STUD,2.6X20 BOLT,STUD,6X20 Teilenummer:
9270006032 |
|
9
Teilenummer:
90082035000 |
10
PACKING,RUB.16M/M Teilenummer:
91303035000 |
10.1
O
RING SET 11X2.5 7.5 (NON O.E. ALTERNATIVE) |
|
11
GASKET
7.5 RUBBER GASKET,RUBBER
9MM Je nach
Zylinderkopfdichtung 7,5 oder 9mm ist etwas dicker als die
Zylinderkopfdichtung |
12
SCREW,CROSS
6X20 |
13
PIN,KNOCK
8X12A Teilenummer:
9430108120 |
|
14
Teilenummer:
9430108140 |
|
|
Honda DAX Zylinderkopf Teilenummern
= Original Honda Nr.

|
1
COVER, CYLN. HEAD12301035000 |
2
COVER, CYLN. HEAD12331035000 |
3
COVER, CYLN. HEAD12341035000 |
|
4 CAP, TAPPET12361035000 |
5 GASKET,CYLINDER12391035306 |
6 GASKET (MCA)12394035000 |
|
7 GASKET,CYLN HEAD (NAS)12395035306 |
8 GASKET,INSULATOR16201041000 |
9 GASKET INSULETOR (MCA)16201098000 |
|
10
INSULATOR,CARBURE16211098000 |
11
PIPE,INLET17111045710 |
13
WASHER, SEALING90442035000 |
|
14
WASHER A, SEALING90443035000 |
15 O RING, 30.8M/M91302001020 |
16 BOLT,HEX 6X209200006020 |
|
17 BOLT,HEX,6X2592101060250G |
18 BOLT HEX 6X1129200006112 |
19 SCREW CROSS 6X189350006018 |
|
20 NUT,HEX 6MM |
21 NUT, BLIND, 6M/M9402106000 |
22 PLUG,SPARK C-6H9805656711 |
Honda DAX Ventiltrieb Teilenummern
= Original Honda Nr.

|
1 GUIDE, IN. VALVE12021035811 |
2 GUIDE,EXH-VALVE12023051310 |
3 SHAFT CAM14101041020 |
|
4 SET, COMP. ROCKER ARM01443035020 |
5 SHAFT, ROCKER ARM14451035000 |
6 VALVE, INLET14711036000 |
|
7 VALVE,EXHAUST14721036000 |
9
SEAL,VALVE STEM14730028013 |
10 CAP, VLV. STEM14731028000 |
|
11 SPRING, VALVE14751035600 |
12 SPRING, VALVE14761035000 |
13 RETAINER, VALVE14771035600 |
|
14
SEAT, VLV. SPRING14776028000 |
15
COTTER, VALVE14781001010 |
16
SCREW TAPPET (SET) (NON O.E. ALTERNATIVE)09012333000P |
|
17 NUT, TAPPET.90206001000 |
18
O RING 9.5X1.691306028000 |
|